Machining Resources

All supported Machining resources are presented in this section:

The described attributes are particularly useful for tasks such as Building a catalog of tools.

Tools for Milling and Drilling Operations

Face Mill

The MFG_NAME_BAS attribute for this tool is MfgFaceMillTool

This tool type has only one compensation site P1, which is located at the extremity of the tool.

Manufacturing geometry attributes used in this resource are:

Nominal Diameter (D) MFG_NOMINAL_DIAM
Outside Diameter (Da) MFG_OUTSIDE_DIAM
Overall Length (L) MFG_OVERALL_LGTH
Length (l) MFG_LENGTH
Cutting Length (lc) MFG_CUT_LENGTH
Corner Radius (Rc) MFG_CORNER_RAD
Body Diameter (Db) MFG_BODY_DIAM
Cutting Angle (A) MFG_CUT_ANGLE
Non Cutting Diameter MFG_TOOL_CORE_DIAMETER

More information about the Geometry, Technology and Cutting Conditions attributes of this resource is available in the Tool Resources section.

End Mill

The MFG_NAME_BAS attribute for this tool is MfgEndMillTool

This tool type has two compensation sites:
  • P1, which is located at the extremity of the tool
  • P2, which is located a distance Rc (corner radius) from P1 along the tool axis.

Manufacturing geometry attributes used in this resource are:

Nominal Diameter (D) MFG_NOMINAL_DIAM
Overall Length (L) MFG_OVERALL_LGTH
Length (l) MFG_LENGTH
Cutting Length (lc) MFG_CUT_LENGTH
Corner Radius (Rc) MFG_CORNER_RAD
Body Diameter (Db) MFG_BODY_DIAM
Non Cutting Diameter MFG_TOOL_CORE_DIAMETER

More information about the Geometry, Technology and Cutting Conditions attributes of this resource is available in the Tool Resources section.

Center Drill

The MFG_NAME_BAS attribute for this tool is MfgCenterDrillTool.

This tool type has six compensation sites P1 to P6, which are located on the tool as shown below.

Manufacturing geometry attributes used in this resource are:

Nominal Diameter (D) MFG_NOMINAL_DIAM
Overall Length (L) MFG_OVERALL_LGTH
Length (l) MFG_LENGTH
Cutting Length (lc) MFG_CUT_LENGTH
Body Diameter (Db) MFG_BODY_DIAM
Cutting Angle (a1) MFG_CUT_ANGLE
Taper Angle (Ach) MFG_TAPER_ANGLE

More information about the Geometry, Technology and Cutting Conditions attributes of this resource is available in the Tool Resources section.

Spot Drill

The MFG_NAME_BAS attribute for this tool is MfgSpotDrillTool

This tool type has three compensation sites P1 to P3, which are located on the tool as shown below.

Manufacturing geometry attributes used in this resource are:

Nominal Diameter (D) MFG_NOMINAL_DIAM
Overall Length (L) MFG_OVERALL_LGTH
Length (l) MFG_LENGTH
Body Diameter (Db) MFG_BODY_DIAM
Cutting Angle (a) MFG_CUT_ANGLE

More information about the Geometry, Technology and Cutting Conditions attributes of this resource is available in the Tool Resources section.

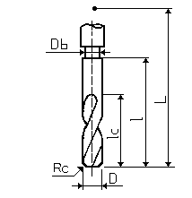
Drill

The MFG_NAME_BAS attribute for this tool is MfgDrillTool

This tool type has three compensation sites P1 to P3, which are located on the tool as shown below.

Manufacturing geometry attributes used in this resource are:

Nominal Diameter (D) MFG_NOMINAL_DIAM
Overall Length (L) MFG_OVERALL_LGTH
Length (l) MFG_LENGTH
Cutting Length (lc) MFG_CUT_LENGTH
Tool Tip Length (ld) MFG_TL_TIP_LGTH
Body Diameter (Db) MFG_BODY_DIAM
Cutting Angle (a) MFG_CUT_ANGLE

More information about the Geometry, Technology and Cutting Conditions attributes of this resource is available in the Tool Resources section.

Countersink

The MFG_NAME_BAS attribute for this tool is MfgCountersinkTool

This tool type has three compensation sites P1 to P3, which are located on the tool as shown below.

Manufacturing geometry attributes used in this resource are:

Nominal Diameter (D) MFG_NOMINAL_DIAM
Outside Diameter (Da) MFG_OUTSIDE_DIAM
Overall Length (L) MFG_OVERALL_LGTH
Length (l) MFG_LENGTH
Cutting Length (lc) MFG_CUT_LENGTH
Entry Diameter (d) MFG_ENTRY_DIAM
Body Diameter (Db) MFG_BODY_DIAM
Cutting Angle (a) MFG_CUT_ANGLE
Corner radius (Rc) MFG_CORNER_RAD

More information about the Geometry, Technology and Cutting Conditions attributes of this resource is available in the Tool Resources section.

Reamer

The MFG_NAME_BAS attribute for this tool is MfgReamerTool

This tool type has two compensation sites:
  • P1 is located at the extremity of the tool.
  • P2 is located a distance ld from P1 along the tool axis.

Manufacturing geometry attributes used in this resource are:

Nominal Diameter (D) MFG_NOMINAL_DIAM
Overall Length (L) MFG_OVERALL_LGTH
Length (l) MFG_LENGTH
Cutting Length (lc) MFG_CUT_LENGTH
Tool Tip Length (ld) MFG_TL_TIP_LGTH
Entry Diameter (d) MFG_ENTRY_DIAM
Body Diameter (Db) MFG_BODY_DIAM

More information about the Geometry, Technology and Cutting Conditions attributes of this resource is available in the Tool Resources section.

Boring Bar

The MFG_NAME_BAS attribute for this tool is MfgBoringBarTool

This tool type has three compensation sites:
  • P1 is the most external point of the cutting flange projected onto the tool axis.
  • P2 is the lower edge of the cutting flange (Boring Bars) projected onto the tool axis.
  • P3 is the upper edge of the cutting flange (Back Boring Bars) projected onto the tool axis.

Manufacturing geometry attributes used in this resource are:

Nominal Diameter (D) MFG_NOMINAL_DIAM
Overall Length (L) MFG_OVERALL_LGTH
Length (l) MFG_LENGTH
Cutting Length (lc) MFG_CUT_LENGTH
Body Diameter (Db) MFG_BODY_DIAM
Cutting Angle (A) MFG_CUT_ANGLE
Non Cut Diameter (dn) MFG_NON_CUT_DIAM
Tip Length (lt) MFG_TIP_LENGTH
Tip Angle (E) MFG_TIP_ANGLE
Tip Radius (Re) MFG_TIP_RADIUS
Tool Angle (B) MFG_TOOL_ANGLE
Tool Tip Length (ld) MFG_TL_TIP_LGTH
Minimum Diameter MFG_MIN_DIAMETER
Maximum Diameter MFG_MAX_DIAMETER

Note: When defining Minimum and Maximum diameter values for a Boring Bar, you cannot set the Nominal diameter less than the Minimum diameter or more than the Maximum diameter.
The Nominal diameter value truncates to the minimum or maximum value depending on the value you entered.

More information about the Geometry, Technology and Cutting Conditions attributes of this resource is available in the Tool Resources section.

Tap

The MFG_NAME_BAS attribute for this tool is MfgTapTool.

This tool type has three compensation sites:
  • P1 is located at the extremity of the tool
  • P2 is defined by a diameter value (dP2)
  • P3 is located along the tool axis at a distance from P1 defined as follows:

    P1P2 = ld * (dP2-d)/(D-d)

Manufacturing geometry attributes used in this resource are:

Nominal Diameter (D) MFG_NOMINAL_DIAM
Overall Length (L) MFG_OVERALL_LGTH
Length (l) MFG_LENGTH
Cutting Length (lc) MFG_CUT_LENGTH
Tool Tip Length (ld) MFG_TL_TIP_LGTH
Body Diameter (Db) MFG_BODY_DIAM
Entry Diameter (d) MFG_ENTRY_DIAM
Taper Angle (Ach) MFG_TAPER_ANGLE
Nominal Diameter Location (Lnd) MFG_LENGTH_NOM_DIAM

Taps can have a tapered or straight flank. More information about the Geometry, Technology and Cutting Conditions attributes of this resource is available in the Tool Resources section.

T-Slotter

The MFG_NAME_BAS attribute for this tool is MfgTSlotterTool.

This tool type has five compensation sites, which are located on the tool as shown below.
  • P1 is located at the extremity of the tool.
  • P2 is located a distance l from P1 along the tool axis.
  • P3 is located a distance l/2 from P1 along the tool axis.
    For a ball-end tool, P3 is located at a distance D/2 from P1 along the tool axis.
  • P4 is located a distance Rc (corner radius) from P1 along the tool axis.
  • P5 is located a distance (l-Rc2)  from P1 along the tool axis.

Manufacturing geometry attributes used in this resource are:

Nominal Diameter (D) MFG_NOMINAL_DIAM
Bottom Diameter (D1) MFG_LOWER_DIAM
Top Diameter (D2) MFG_UPPER_DIAM
Overall Length (L) MFG_OVERALL_LGTH
Length (l) MFG_LENGTH
Corner Radius (Rc) MFG_CORNER_RAD
Upper corner Radius (Rc2) MFG_CORNER_RAD_2
Body Diameter (db) MFG_BODY_DIAM
Bottom Chamfer Angle (A1) MFG_LOWER_ANGLE
Top Chamfer Angle (A2) MFG_UPPER_ANGLE

More information about the Geometry, Technology and Cutting Conditions attributes of this resource is available in the Tool Resources section.

Multi-Diameter Drill

The MFG_NAME_BAS attribute for this tool is MfgMultiDiamDrillTool

This tool type has nine compensation sites P1 to P9, which are located on the tool as shown below.

Manufacturing geometry attributes used in this resource are:

Nominal Diameter (D) MFG_NOMINAL_DIAM
Overall Length (L) MFG_OVERALL_LGTH
Length (l) MFG_LENGTH
Length (l1) MFG_LENGTH_1
Length (l2) MFG_LENGTH_2
Cutting Length (lc) MFG_CUT_LENGTH
Tool Tip Length (ld) MFG_TL_TIP_LGTH
Body Diameter (Db) MFG_BODY_DIAM
Cutting Angle (a1) MFG_CUT_ANGLE
Cutting Angle 2 (a2) MFG_ANGLE2
Taper Angle (Ach) MFG_TAPER_ANGLE
Chamfer Diameter 1 (Dc) MFG_CHAMFR_DIAM1
Chamfer Diameter 2 (Dc2) MFG_CHAMFR_DIAM2

More information about the Geometry, Technology and Cutting Conditions attributes of this resource is available in the Tool Resources section.

Two Sides Chamfering Tool

The MFG_NAME_BAS attribute for this tool is MfgTwoSidesChamferingTool

This tool type has seven compensation sites P1 to P7, which are located on the tool as shown below.

Manufacturing geometry attributes used in this resource are:

Nominal Diameter (D) MFG_NOMINAL_DIAM
Entry Diameter (d) MFG_ENTRY_DIAM
Overall Length (L) MFG_OVERALL_LGTH
Length (l) MFG_LENGTH
Cutting Length (lc) MFG_CUT_LENGTH
Tool Tip Length (ld) MFG_TL_TIP_LGTH
Body Diameter (Db) MFG_BODY_DIAM
Cutting Angle (a1) MFG_CUT_ANGLE
Cutting Angle (a2) MFG_ANGLE2

More information about the Geometry, Technology and Cutting Conditions attributes of this resource is available in the Tool Resources section.

Boring and Chamfering Tool

The MFG_NAME_BAS attribute for this tool is MfgBoringAndChamferingTool

This tool type has four compensation sites P1 to P4, which are located on the tool as shown below.

Manufacturing geometry attributes used in this resource are:

Nominal Diameter (D) MFG_NOMINAL_DIAM
Chamfer Diameter (Dc) MFG_CHAMFR_DIAM1
Overall Length (L) MFG_OVERALL_LGTH
Length (l) MFG_LENGTH
Length 1 (l1) MFG_LENGTH_1
Cutting Length (lc) MFG_CUT_LENGTH
Body Diameter (Db) MFG_BODY_DIAM
Taper Angle (Ach) MFG_TAPER_ANGLE
Corner Radius (Rc) MFG_CORNER_RAD

More information about the Geometry, Technology and Cutting Conditions attributes of this resource is available in the Tool Resources section.

Conical Mill

The MFG_NAME_BAS attribute for this tool is MfgConicalMillTool

This tool type has three compensation sites P1 to P3, which are located on the tool as shown below.

Manufacturing geometry attributes used in this resource are:

Nominal Diameter (D) MFG_NOMINAL_DIAM
Entry Diameter (d) MFG_ENTRY_DIAM
Overall Length (L) MFG_OVERALL_LGTH
Length (l) MFG_LENGTH
Cutting Length (lc) MFG_CUT_LENGTH
Corner Radius (Rc) MFG_CORNER_RAD
Body Diameter (Db) MFG_BODY_DIAM
Cutting Angle (a) MFG_CUT_ANGLE

More information about the Geometry, Technology and Cutting Conditions attributes of this resource is available in the Tool Resources section.

Thread Mill

The MFG_NAME_BAS attribute for this tool is MfgThreadMillTool

This tool type has two compensation sites:
  • P1 is located at the extremity of the tool.
  • P2 is located along the tool axis at a distance from P1 defined as follows:

    P1P2 = (D-d)/(2*tg Ac)

Manufacturing geometry attributes used in this resource are:

Nominal Diameter (D) MFG_NOMINAL_DIAM
Overall Length (L) MFG_OVERALL_LGTH
Length (l) MFG_LENGTH
Cutting Length (lc) MFG_CUT_LENGTH
Outside Diameter (Da) MFG_OUTSIDE_DIAM
Body Diameter (Db) MFG_BODY_DIAM
Length 1 (l1) MFG_LENGTH_1
Taper Angle (Ach) MFG_TAPER_ANGLE

More information about the Geometry, Technology and Cutting Conditions attributes of this resource is available in the Tool Resources section.

Counterbore Mill

The MFG_NAME_BAS attribute for this tool is MfgCounterboreMillTool

This tool type has only one compensation site P1, which is located on the tool as shown below.

Manufacturing geometry attributes used in this resource are:

Nominal Diameter (D) MFG_NOMINAL_DIAM
Overall Length (L) MFG_OVERALL_LGTH
Length (l) MFG_LENGTH
Cutting Length (lc) MFG_CUT_LENGTH
Entry Diameter (d) MFG_ENTRY_DIAM
Body Diameter (Db) MFG_BODY_DIAM
Tool Tip Length (ld) MFG_TL_TIP_LGTH

More information about the Geometry, Technology and Cutting Conditions attributes of this resource is available in the Tool Resources section.

Conical Mill

The MFG_NAME_BAS attribute for this tool is MfgConicalMillTool

This tool type has three compensation sites P1 to P3, which are located on the tool as shown below.

Manufacturing geometry attributes used in this resource are:

Nominal Diameter (D) MFG_NOMINAL_DIAM
Entry Diameter (d) MFG_ENTRY_DIAM
Overall Length (L) MFG_OVERALL_LGTH
Length (l) MFG_LENGTH
Cutting Length (lc) MFG_CUT_LENGTH
Corner Radius (Rc) MFG_CORNER_RAD
Body Diameter (Db) MFG_BODY_DIAM
Cutting Angle (a) MFG_CUT_ANGLE

More information about the Geometry, Technology and Cutting Conditions attributes of this resource is available in the Tool Resources section.

Barrel Mill

The MFG_NAME_BAS attribute for this tool is MfgBarrelMillTool

This tool type has one compensation site P1, which is located on the tool as shown below.

Manufacturing geometry attributes used in this resource are:

Radial Distance (Xce) MFG_RADIAL_DISTANCE
Vertical Distance (Zce) MFG_VERTICAL_DISTANCE
Overall Length (L) MFG_OVERALL_LGTH
Barrel Radius (Rs) MFG_BARREL_RADIUS
Cutting Length (Lc) MFG_CUT_LENGTH
Corner Radius (Rc) MFG_CORNER_RAD
Body Diameter (db) MFG_BODY_DIAM
Entry Diameter (d) MFG_ENTRY_DIAM

More information about the Geometry, Technology and Cutting Conditions attributes of this resource is available in the Tool Resources section.

Tools for Turning Operations

External Insert Holder

The MFG_NAME_BAS attribute for this tool is
MfgExternalTool.

The main Manufacturing geometry attributes used in this resource are:

MFG_SHANK_HEIGHT: h
MFG_SHANK_WIDTH: b
MFG_SHK_LENGTH_1: l1
MFG_SHK_LENGTH_2: l2
MFG_SHK_CUT_WDTH: f
MFG_KAPPA_R: Kr

More information about the Geometry and Technology attributes of this resource is available in the Tool Resources section.

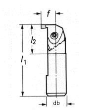
Internal Insert Holder

The MFG_NAME_BAS attribute for this tool is
MfgInternalTool.

The main Manufacturing geometry attributes used in this resource are:

MFG_BODY_DIAM: db
MFG_BAR_LENGTH_1: l1
MFG_BAR_LENGTH_2: l2
MFG_BAR_CUT_RAD: f
MFG_KAPPA_R: Kr

More information about the Geometry and Technology attributes of this resource is available in the Tool Resources section.

External Groove Insert Holder

The MFG_NAME_BAS attribute for this tool is
MfgGrooveExternalTool.

The main Manufacturing geometry attributes used in this resource are:

MFG_SHANK_HEIGHT: h
MFG_SHANK_WIDTH: b
MFG_SHK_LENGTH_1: l1
MFG_SHK_LENGTH_2: l2
MFG_SHK_CUT_WDTH: f

More information about the Geometry and Technology attributes of this resource is available in the Tool Resources section.

Frontal Groove Insert Holder

The MFG_NAME_BAS attribute for this tool is
MfgGrooveFrontalTool

The main Manufacturing geometry attributes used in this resource are:

MFG_SHANK_HEIGHT: h
MFG_SHANK_WIDTH: b
MFG_SHK_LENGTH_1: l1
MFG_SHK_LENGTH_2: l2
MFG_SHK_CUT_WDTH: f

More information about the Geometry and Technology attributes of this resource is available in the Tool Resources section.

Internal Groove Insert Holder

The MFG_NAME_BAS attribute for this tool is
MfgGrooveInternalTool

The main Manufacturing geometry attributes used in this resource are:

MFG_BODY_DIAM: db
MFG_BAR_LENGTH_1: l1
MFG_BAR_LENGTH_2: l2
MFG_BAR_CUT_RAD: f

More information about the Geometry and Technology attributes of this resource is available in the Tool Resources section.

External Thread Insert Holder

The MFG_NAME_BAS attribute for this tool is
MfgThreadExternalTool

The main Manufacturing geometry attributes used in this resource are:

MFG_SHANK_HEIGHT: h
MFG_SHANK_WIDTH: b
MFG_SHK_LENGTH_1: l1
MFG_SHK_LENGTH_2: l2
MFG_SHK_CUT_WDTH: f

More information about the Geometry and Technology attributes of this resource is available in the Tool Resources section.

Internal Thread Insert Holder

The MFG_NAME_BAS attribute for this tool is
MfgThreadInternalTool

The main Manufacturing geometry attributes used in this resource are:

MFG_BODY_DIAM: db
MFG_BAR_LENGTH_1: l1
MFG_BAR_LENGTH_2: l2
MFG_BAR_CUT_RAD: f

More information about the Geometry and Technology attributes of this resource is available in the Tool Resources section.

Lathe Inserts

Diamond Insert

The MFG_NAME_BAS attribute for this insert is
MfgDiamondInsert

The main Manufacturing geometry attributes used in this resource are:

MFG_INSCRIB_DIAM: IC
MFG_INSERT_LGTH: l
MFG_INSERT_THICK: s
MFG_NOSE_RADIUS: r
MFG_INSERT_ANGL: a

More information about the Geometry, Technology and Cutting Conditions attributes of this resource is available in the Inserts section.

Square Insert

The MFG_NAME_BAS attribute for this insert is
MfgSquareInsert

The main Manufacturing geometry attributes used in this resource are:

MFG_INSCRIB_DIAM: IC
MFG_INSERT_LGTH: l
MFG_INSERT_THICK: s
MFG_NOSE_RADIUS: r

More information about the Geometry, Technology and Cutting Conditions attributes of this resource is available in the Inserts section.

Triangular Insert

The MFG_NAME_BAS attribute for this insert is
MfgTriangularInsert

The main Manufacturing geometry attributes used in this resource are:

MFG_INSCRIB_DIAM: IC
MFG_INSERT_LGTH: l
MFG_INSERT_THICK: s
MFG_NOSE_RADIUS: r

More information about the Geometry, Technology and Cutting Conditions attributes of this resource is available in the Inserts section.

Round Insert

The MFG_NAME_BAS attribute for this insert is
MfgRoundInsert

The main Manufacturing geometry attributes used in this resource are:

MFG_NOSE_RADIUS: r
MFG_INSERT_THICK: s

More information about the Geometry, Technology and Cutting Conditions attributes of this resource is available in the Inserts section.

Trigon Insert

The MFG_NAME_BAS attribute for this insert is
MfgTrigonInsert

The main Manufacturing geometry attributes used in this resource are:

MFG_INSCRIB_DIAM: IC
MFG_INSERT_LGTH: l
MFG_INSERT_THICK: s
MFG_NOSE_RADIUS: r

More information about the Geometry, Technology and Cutting Conditions attributes of this resource is available in the Inserts section.

Groove Insert

The MFG_NAME_BAS attribute for this insert is
MfgGrooveInsert

The main Manufacturing geometry attributes used in this resource are:

MFG_INSERT_LGTH: l
MFG_INSERT_THICK
MFG_INSERT_WIDTH: la
MFG_NOSE_RAD_1: r1
MFG_NOSE_RAD_2: r2
MFG_BOTTOM_ANGLE: b
MFG_FLANK_ANG_1: a1
MFG_FLANK_ANG_2: a2
MFG_CUT_LENGTH: l1

More information about the Geometry, Technology and Cutting Conditions attributes of this resource is available in the Inserts section.

Thread Insert

The MFG_NAME_BAS attribute for this insert is
MfgThreadInsert

The main Manufacturing geometry attributes used in this resource are:

MFG_INSERT_LGTH: l
MFG_INSERT_THICK
MFG_NOSE_RADIUS
MFG_THREAD_ANGLE
MFG_TOOTH_X
MFG_TOOTH_Z
MFG_TOOTH_H

More information about the Geometry, Technology and Cutting Conditions attributes of this resource is available in the Inserts section.

Tools for Probing Operations

Ball Stylus

This tool type has four compensation sites P1 to P4, which are located on the tool as shown below.

Manufacturing geometry attributes used in this resource are:

Nominal Diameter (D) MFG_NOMINAL_DIAM
Overall Length (L) MFG_OVERALL_LGTH
Length (l) MFG_LENGTH
Ball Down Length (ld) MFG_BALL_LENGTH_DOWN
Body Diameter (Db) MFG_BODY_DIAM

Manufacturing technology and feedrate attributes used in this resource are:

Type of stylus MFG_STYLUS_TYPE
Material of the stylus MFG_STYLUS_MATERIAL
Maximum machining feedrate  

The attributes can be set to define a disk stylus in which the probe is a portion of the sphere (see example below).

Cylinder Stylus

This tool type has two compensation sites P1 and P2, which are located on the tool as shown below.

Manufacturing geometry attributes used in this resource are:

Nominal Diameter (D) MFG_NOMINAL_DIAM
Overall Length (L) MFG_OVERALL_LGTH
Length (l) MFG_LENGTH
Cylinder Length (lc) MFG_CYLINDER_LENGTH
Body Diameter (db) MFG_BODY_DIAM
Corner Radius (Rc) MFG_CORNER_RAD

Manufacturing technology and feedrate attributes used in this resource are:

Type of stylus MFG_STYLUS_TYPE
Material of the stylus MFG_STYLUS_MATERIAL
Maximum machining feedrate