Lining Up Dimension Systems  

This task will show you how to line-up a dimension system.
Open the Brackets_views03.CATDrawing document.
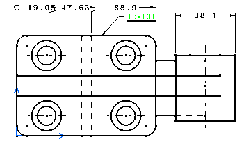
  1. Create a cumulated dimension system including several dimensions as shown below.

  1. Click Dimensions to create a dimension.


     

  2. Right-click your dimension system and select Line-up in the contextual menu.

  3. Position the mouse on the dimension you just created to align the dimension system on it.



    The Line Up dialog box is displayed.

 

For a dimension system only Offset to reference, Align stacked dimension values and Align cumulated dimension values are taken into account.

  1. Modify the Offset to reference value to 5mm.

  2. Click OK.
    The dimension system is aligned on the dimension with an offset of 5mm.

The dimension system is aligned according to its dimension system properties.