 |
This task will show you how to modify a dimension system or a dimension
within a dimension system. |
| |
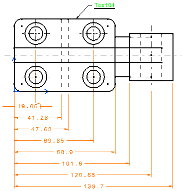
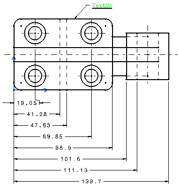
In our example we chose to create a stacked dimension system and to
perform the following actions:
|
 |
Open the
Brackets_views03.CATDrawing document. |
 |
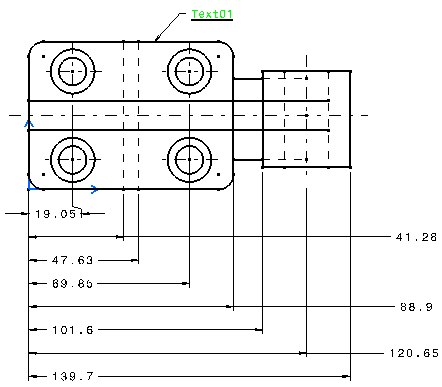
-
Create a stacked dimension
system including several dimensions as shown below.

|
| |
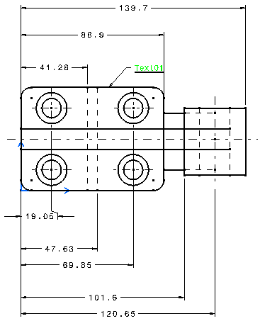
Moving a Dimension System
|
| |
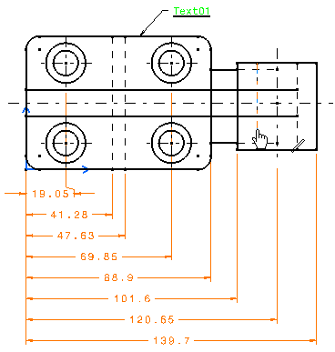
-
Click over the dimension system to select it.
The whole system is highlighted.

-
Drag the whole system below the drawing.

-
Click in the free space to end the stacked dimension
system selection.
|
| |
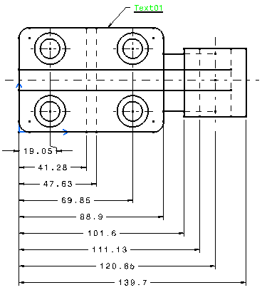
Moving a Dimension
|
| |
-
Right-click the Dimension system and select
Properties in the contextual menu.
-
In the System tab, set the Offset mode to Free,
then click OK.
See Editing Dimension System Properties for
further information on the Properties' dialog box.
-
In the Tools toolbar, click Dimensions system
selection mode
to deactivate the dimension system.
-
Select several dimensions and drag them above the
dimension system.
-
Click in the free space to end the dimension selection.

|
 |
Moving a dimension can be performed only on stacked
dimension system. |
| |
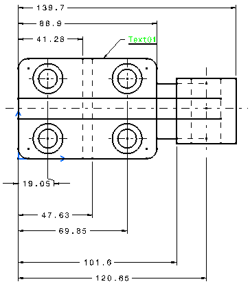
Aligning a Dimension System
|
| |
-
Make sure Dimensions system
selection mode
is activated in the Tools toolbar.
-
Click over the dimension system to select it.
-
Right-click and select
Align into System.
The dimensions are aligned into the system as before.

|
 |
You can perform an Align into System on a whole system as
well on several dimensions after multi-selecting them. To do so, set the
system's offset mode to free (see Editing
Dimension System Properties), then click Dimensions system
selection mode
to deactivate the dimension system. The dimensions you selected are aligned
into a system of their own as shown below.
 |
| |
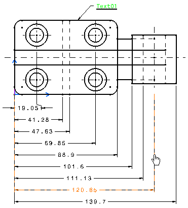
Restoring a Value Position
|
| |
-
Make sure Dimensions system selection mode icon
is activated in the Tools toolbar.
-
Right-click the Dimension system and select
Properties in the contextual menu.
-
In the System tab, set the Dimension values alignment at
10mm from the Reference line.

-
Click Apply to visualize the Dimension values
alignment.

-
Click Dimensions system
selection mode
to deactivate the dimension system.
-
Move some of the dimensions.

-
Click Dimensions system
selection mode
to activate the dimension system again.
-
Right-click the dimension system and select
Restore Value Position.
The dimensions' values are back to their initial position.

-
Click Dimensions system
selection mode
to deactivate the dimension system.
-
Drag several dimension values to modify their position.

-
Multi-select the dimensions.
-
Right-click and select Restore Value Position
in the contextual menu.
The dimensions' values are centered back in the system.

|
| |
Adding a Dimension into a System
|
| |
You have to select the icon corresponding to create the dimension
system you would like to modify i.e. a chained, cumulated or stacked
dimension system. |
| |
-
Make sure Dimensions system
selection mode
is activated in the Tools toolbar.
-
In the System tab, set the Offset mode to Constant,
then click OK.
See Editing Dimension System Properties for
further information on the Properties' dialog box.
-
Go to menu Insert>Dimensioning>Dimensions
and select Stacked dimensions.
-
Select the system you want to insert a dimension to.
-
Select the geometry to dimension.

The new dimension is inserted into the system and is automatically
aligned into the system.

|
| |
Deleting a Dimension from a System
|
| |
-
Make sure Dimensions system
selection mode
is deactivated in the Tools toolbar.
-
Select a dimension.
Note that only the selected dimension is highlighted, not the whole
system.

-
Press Del key.
The dimension system is updated accordingly automatically aligned.

|
 |
Should you want to delete the whole dimension system, make sure
Dimensions system selection mode icon
is activated in the Tools toolbar and press Del key. |
| |
Copying a Dimension System
|
| |
-
Make sure Dimensions system
selection mode
is activated in the Tools toolbar.
-
Select the geometry and its associated dimension system
and click Copy icon.
-
Create a new view and select it.
-
Click Paste icon:
The geometry and its dimension system is pasted in the view.
|
 |
If the dimension system offset mode is set to Free,
modifying one or several dimensions of the system will not impact the
system 's alignment. If the dimension system offset mode is set to
Constant, an automatic line-up is applied to dimension lines and
values in case you perform any of the following action:
- Adding a dimension to a system
- Deleting a dimension to a system
- Updating the 3D geometry
- Applying a style to a system
For more information on the Constant and Free Offset mode, refer to the
Editing Dimension System Properties section. |
|
 |