
|
-
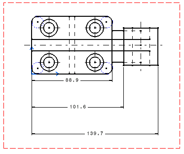
Select the dimensions to be lined-up.
 |
When selecting the dimensions, make sure that they belong to a
single, coherent system (if you select dimensions which could form
two different systems, you could get unexpected results).
Note that if none of the following conditions is satisfied, then the
Line-Up command identifies more than one dimension
systems out of the selected dimensions:
- At least one of the extremity points of a dimension
lies on the same side, as that of the corresponding
extremity point of the other dimensions.
However, note that, the identification of corresponding
extremities of a dimension depends on the order of the
selection of elements while creating the dimension.
- The farthest extremity point of a dimension lies on
the same side, as that of the farthest extremity point
of the other dimensions.
|
|
-
Right-click and select Line-up, or select
Tools > Positioning > Line-up from the menu bar or
click Line-Up
.
-
Select the element that will be used as reference for
positioning dimensions, as show here:
The Line Up dialog box appears.
-
Enter the desired value for the offset to reference. For
example, 20 mm.
-
Enter the desired value for the offset between
dimensions. For example, 30 mm.
 |
Two fields are available for both these options:
- The first field
is dedicated to length, distance and angle dimensions. It is defined
with the Paper Unit (defined in Tools >
Options > Mechanical design > Drafting > General tab
(See Customizing Section:
General documentation).
- The second
field (grayed out in our example) is dedicated to radius and diameter
dimensions.
Whether a field is active depends on the type of
dimension selected. |
-
Optionally, select Align stacked dimension values
to align all the values of a group of stacked dimensions on the value of
the smallest dimension of the group.
-
Optionally, select Align cumulated dimension values
to align all the values of a group of cumulated dimensions with respect
to its orientation reference.
Note: The values are aligned only if their orientation reference is the
dimension line. You can define this parameter through Tools >
Standards > Drafting > [StandardName] > Dimensions > Cumulate Dimension:
Value Orientation Reference. Refer to
Dimension Parameters for more information.
Alternatively, you can edit the dimension system properties to change
the dimension values alignment. (Applicable for Post-R14 dimensions
only). Refer to
Editing
Dimension Properties for more information.
-
Make sure the Only organize into systems
option is not selected.
-
Click OK to validate.
The smallest dimension is positioned with an offset of 20
mm according to the selected element. The offset between each dimension
is equal to 30mm.
|